Installation électrique d’un bateau en aluminium

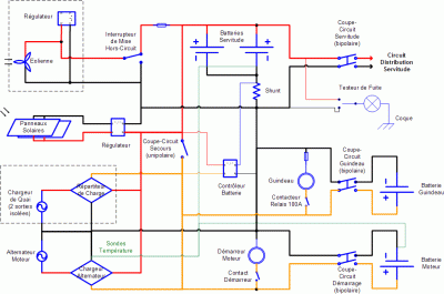
Nous sommes en train de réfléchir à la manière de refaire au mieux l’entièreté du circuit électrique de Fleur de Sel, notre Trisbal 36 en alu. Or, de nombreuses informations circulent sur Internet sur les choses à faire ou à ne pas faire, et sur la manière de brancher tel ou tel équipement. Cependant, il me semble quasiment impossible de mettre la main sur le schéma électrique adapté à un bateau de voyage en aluminium.
C’est pourquoi je me propose dans un premier temps de diffuser ici le schéma envisagé de notre installation bipolaire, afin que les marins bricoleurs avertis puissent nous conseiller sur les améliorations à y apporter et les éventuelles inadéquations qu’il comporte. Je corrigerai le schéma au fur et à mesure qu’on l’améliore grâce à vos avis, pour ensuite le laisser en ligne pour ceux qui en auraient besoin comme nous à l’avenir. Nous vous remercions donc à l’avance de vos contributions constructives et nombreuses !

