Installation électrique d’un bateau en aluminium
Nous réfléchissons actuellement à la manière de refaire au mieux l’entièreté du circuit électrique de Fleur de Sel, notre Trisbal 36 en alu. Or, de nombreuses informations circulent sur Internet sur les choses à faire ou à ne pas faire, et sur la manière de brancher tel ou tel équipement. Cependant, il me semble quasiment impossible de mettre la main sur le schéma électrique adapté à un bateau de voyage en aluminium.
C’est pourquoi je me propose dans un premier temps de diffuser ici le schéma envisagé de notre installation bipolaire, afin que les marins bricoleurs avertis puissent nous conseiller sur les améliorations à y apporter et les éventuelles inadéquations qu’il comporte. Je corrigerai le schéma au fur et à mesure qu’on l’améliore grâce à vos avis, pour ensuite le laisser en ligne pour ceux qui en auraient besoin comme nous à l’avenir. Nous vous remercions donc à l’avance de vos contributions constructives et nombreuses !
Le cahier des charges
Voici tout d’abord le cadre dans lequel nous souhaitons travailler. Je préciserai celui-ci si besoin au fur et à mesure des réactions, et je l’actualiserai si nous décidons de modifier nos choix (voir liste des discussions en bas).
Sécurité
- Circuit intégralement bipolaire pour cause de coque en aluminium;
- Batterie pour le démarrage du moteur séparée du parc servitudes, mais possibilité de démarrer le moteur sur le parc servitude en cas d’urgence sans avoir à brancher de câbles dans la panique;
- Batterie dédiée à l’avant pour le guindeau;
- Installation la plus fiable possible afin de tenir dans la durée et dans des conditions éprouvantes (humidité, salinité…).
Fonctionnalités
- Volonté d’autonomie avec consommation minimale de gasoil : consommation au mouillage comme en mer principalement étalée par la production en énergies douces (solaire et éolienne);
- Recharge de la batterie démarrage grâce au moteur, et appoint du parc servitude si besoin;
- Gestion des parcs grâce à un contrôleur de batterie intelligent.
Equipement
- Réutilisation de l’existant si les composants en question répondent aux critères souhaités, et notamment des producteurs actuels (pas d’installation d’un nouvel alternateur);
- Réfection du câblage, des connexions et des tableaux électriques pour plus de lisibilité.
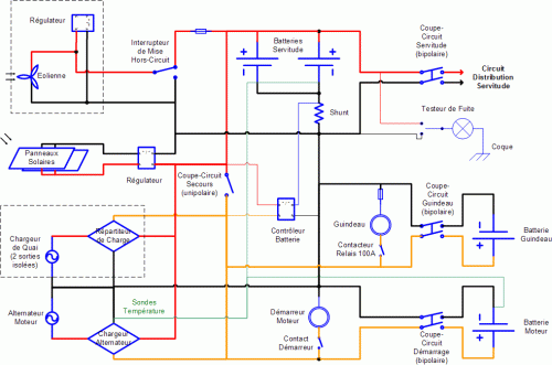
Les composants de l’installation
Voici les éléments constitutifs de l’installation existante, et ceux que nous envisageons d’y ajouter lorsque c’est mentionné
Les producteurs d’énergie
- Alternateur moteur : 80A, couplé à un chargeur d’alternateur Sterling à acquérir.
- Panneaux solaires : 55W et 75W, actuellement avec régulateur Juta CMP12, éventuellement à remplacer par un MorningStar Sunsaver MPPT.
- Eolienne : Air X 400W, avec régulateur intégré et interrupteur de mise hors-circuit, mais aussi des pales Spreco qu’il nous reste à installer pour limiter le bruit.
- Chargeur de quai : existant éventuellement, à remplacer par un plus performant et/ou à double sortie (vos recommandations ?)
Le stockage de l’énergie
Batterie moteur et parc servitude montés sous la descente, batterie guindeau montée à l’avant. Contacts sur bornier étanche Sterling PPD500 à acheter.
- Parc batterie démarrage : 105Ah pour le moteur et 75Ah pour le guindeau, fabricant et technologie à définir (peut-être AGM). Liaison de la batterie guindeau à déterminer (parrallèle ou autre ?)
- Parc batterie servitudes : 2x120Ah, fabricant et technologie à définir (peut-être Gel).
Les gros consommateurs
Tableau de distribution principal dans la descente, sans doute à réagencer avec le panneau de démarrage moteur et les coupe-circuits.
- Démarreur moteur : avec coupe-circuit et relié directement, sans fusible.
- Guindeau : avec coupe-circuit et contacteur relais télécommandé de la plage avant. Opportunité de remplacer la télécommande peu fiable par un boitier radio ?
- Réfrigérateur : groupe Danfoss, interrupteur bipolaire sur le tableau. Eventuelles pertes en ligne à éclaircir.
- Pompe de cale AR : avec flotteur, interrupteur bipolaire sur le tableau.
- Pilote automatique : Raymarine ST4000+, interrupteur bipolaire sur le tableau.
- Convertisseur inverseur 220V : à définir si on a besoin de le remplacer.
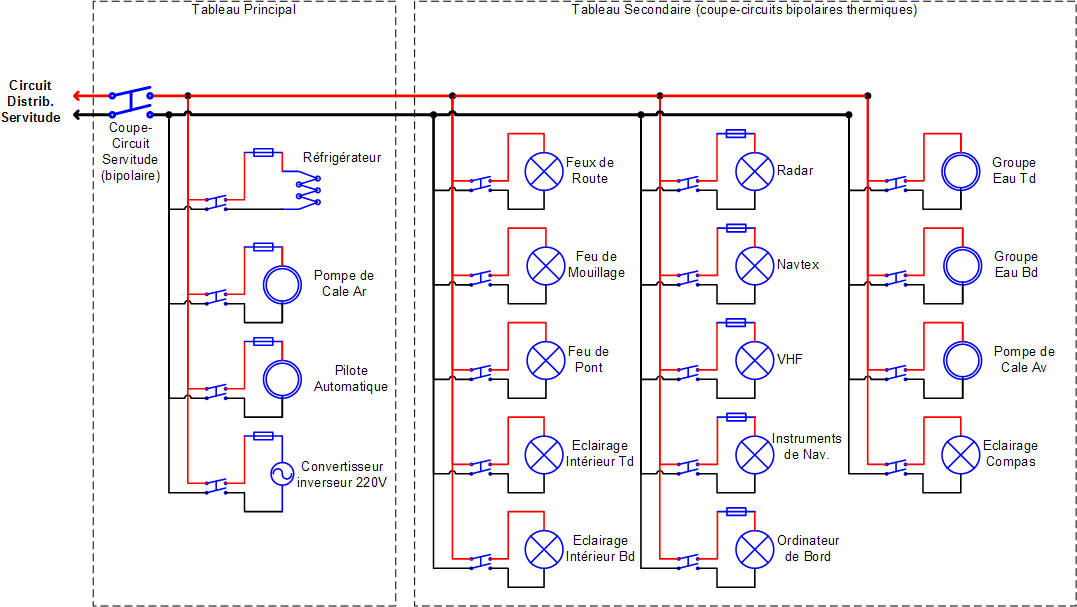
Les petits consommateurs
Tableau de distribution secondaire à la table à carte, à remplacer sans doute par un modèle Philippi STV 214-2p avec testeur de fuite et moniteur de batterie intégrés.
- Radar : Furuno M1621
- Feux de route
- Feu de mouillage
- Feu de pont
- Eclairage intérieur AR : à remplacer par des LEDs
- Eclairage intérieur AV : à remplacer par des LEDs
- Prises allume-cigare
- Instruments de navigation : Raymarine ST40 Bidata
- VHF : Icom IC-505. L’installation d’un HP externe étanche serait bien.
- Navtex : Furuno NX-300, à définir si on souhaite le brancher en direct ou non (pour réception même avec coupe-circuits ouverts).
- Récepteur BLU : Sony 7600.
- Eclairage compas (actuellement couplé aux feux de route)
- Groupe eau TD
- Groupe eau BD
- Ordinateur de bord
- Pompe de cale AR
Le câblage de l’installation
Merci de partager avec nous tous vos suggestions quant à l’installation proposée ci-dessous. Il s’agit de la solution technique que nous envisageons pour répondre au cahier des charges fonctionnel ci-dessus, mais nous comptons sur votre expérience critique (dans le bon sens du terme) pour l’améliorer.
Cliquez sur les schémas pour les agrandir. En traits épais les lignes de puissance, en traits fins les lignes de contrôle.
Des discussions concernant ce montage se trouvent sur le forum Sail the World.
Je tâcherai de répondre et d’adapter les schémas en fonction de nos disponibilités : la préparation du départ pour la saison d’été vers la Norvège est prenante ! Mais je vous remercie d’avance pour votre aide !


15 Replies to “Installation électrique d’un bateau en aluminium”
Merci beaucoup pour ce schéma clair 🙂
Une inquiétude cependant, est-ce que l’on ne peut pas avoir trop de courant qui arrive sur les batteries, si l’éolienne et le panneau solaire sont en marche alors que l’on a le moteur qui tourne ?
Merci aux techniciens qui donnent des explications. C’est bien utile.
Je pense que c’est bien fait ,simplement que je n’ai pas vu la mise a la terre ou bien ça sera fait sur un autre schéma .
Mes salutations
bon soir
Dans notre maison, on fixe bien la protection de la mise à la terre pour la sécurité des personnes. Je demande, comment faut-t’il faire pour celle du bateau, car le bateau a aussi une tension élevée?
Envisageant d’acheter un voilier en alu , je me suis aussi penché sur les pb d’electrolyse
L’article qui m’a parut le plus pertinent est sur le lien ci-dessous
http://bricologie.free.fr/corrosion.htm
en résumé : Construisons une installation isolée de la masse et ajoutons ensuite une liaison entre coque et moins (-) batterie.
je me suis laissé dire sur le salon nautique que c’était la solution retenue aux Etats Unis .
Salut.
L’électricité, c’est outjours un peu compliqué. J’ai aussi un bateau alu que je vais equiper sensiblement comme l’étais le précédent. Le moins d’électronique possible et aucun couplage batterie permanent. Tout possible mais en manuel, rien en automatique ! J’ai mi un schémas de mon installation de mon ancien bateau à la fin des photos sur le blog frequencejazz.centerblog.net/
Bye et bon courage
Lionel
Bonjour et félicitations pour ces schémas électriques, je vous ai trouvé car je suis en train d’installer un radar sur mon OVNI 40 et je me pose la question de la masse car Furuno dit de visser le fil sur la coque ????
D’autre part nous avons de grands amis qui naviguent dans le coin, Michelle et Richard sur Thélème un VIA 42, alors si vous les rencontrez …… vous boirez certainement un verre à notre santé !!! notre ancien voilier s’appelait OKAM.
nous allons vous suivre par internet bien que nos destinations soient plus classiques et plus tropicales !!!
Bien cordialement
marie et didier (voilier morigan)
tres bonne chose de la batt guindeau cela evite les gros probleme de conso et nevient pas alterer les autre circcuits utilise des repartiteurs electronique pas de chute de tension tu as des chargeurs de batt qui peuve fonctionner sans les batt ideal aquai materiel enag met un testeur de fuite electronique materiel kent marine sutout plastifie tres bien les baccs a batt
Je m’aperçois qu’il y a peut-être une erreur sur le branchement du démarreur. Celui-ci est relié à son “moins” à travers la masse du moteur même sur un moteur avec capteurs isolés (à 2 fils) et donc lors du démarrage, un contacteur de masse relie le “moins” de la batterie de démarrage à la masse du moteur (lui même relié à la terre du bateau (la coque) malgré les silents-blocs).
En un mot, il n’y a plus d’isolation pendant la durée du démarrage.
Ce contacteur de masse est partie intégrante d’un moteur à double isolation.
Il manque le feu de route moteur (en général près du feu de pont) je ne suis pas un dingue du règlement mais ce feu éclaire la voile d’avant, on peut être mieux vu par brouillard la nuit. Concernant les câbles dans le mât, tu pourrais quand-même avoir une masse commune pour le feu de route et le feu de mouillage, et une masse commune pour le feu de route moteur et le feu de pont. Tu pourrais utiliser du 3×2.5² au lieu de 4×2.5², moins lourd dans les hauts et moins cher.
Comme je vois que ton électronique est avec bus (cartographie, fax …) attention aux boucles de masse par le câble réseau.
Les fusibles des récepteurs se placent le plus près possible des interrupteurs, en amont même, cela protège le récepteur et son conducteur d’alim.
Je termine en précisant qu’un shunt est une solution obsolète, une sonde de Hall le remplace avantageusement. Comme j’ai relié tous les “moins” des batteries, ma sonde m’indique le bilan instantané : la consommation où la charge des batteries, (par le panneau solaire, l’éolienne ou l’alternateur moteur) ce qui est très utile en nav hauturière.
D’ailleurs, je n’ai jamais vu l’utilité d’un chargeur de quai puissant et très cher. Soit tu navigues et il sert à rien, soit tu restes à quai et 10 à 15A de charge suffisent largement (un bon chargeur d’automobile).
Ma solution est un alternateur de 100A sur le moteur du bateau, et pour les outils, un alternateur 220V 2kW (démonté d’un vieux groupe électrogène) entrainé par le moteur du bateau au moyen d’un accouplement démontable.
Bon j’arrête là, si ça se trouve ton circuit est déjà terminé.
Salut et une longue pensée pour Mickael.
Jean-luc
Bonjour,
J’ai une remarque concernant le détecteur de fuite. Ton système a l’avantage d’être très simple, mais… il ne fonctionne pas en permanence. Si une fuite apparaît, elle peut électrolyser un certain temps avant que tu penses à la détecter. Tout et son contraire se dit sur la protection d’une coque en alu.
Alors, suite à un article très bien fait sur l’électro-positivité de l’alu par rapport aux autres conducteurs (article dont j’ai, hélas, perdu l’URL), j’ai fait comme toi, une installation totalement bipolaire (avec, cependant, une masse commune pour 3 ou 4 récepteurs ex : GPS, Radio, VHF, AIS et PC de même masse à cause du blindage de l’antenne VHF et du bus de communication communs).
J’ai relié toutes les bornes négatives des batteries ensemble, avec un coupe circuit unique. En sortie de ce coupe circuit, le “moins” est distribué sur mes différents circuits (Moteur, Confort etc…) et j’ai monté un galvanomètre 100µA à point milieu, de résistance interne 1Ko, entre lui et la terre, c’est à dire la coque du bateau. Et c’est lui qui m’indique une fuite éventuelle.
Il y a toujours un petit courant de fuite, soit dans le sens terre vers “moins” soit dans l’autre (de 5 à 10 µA), surtout par temps humide (brouillard). Par contre, des qu’il y a une vraie fuite sur le circuit d’un récepteur, le galva dévie franchement. Le courant détecté est bien inférieur à celui que détecterait ta lampe, et il est limité par la résistance interne du galva à moins de 15mA.
La dernière fois que j’ai détecté une fuite, c’était de l’eau qui s’était infiltrée dans la lampe de tête de mât. J’aurais d’autres exemples de fuites pernicieuses depuis les 10 ans que j’ai réalisé cette installation.
Voilà, par contre, pour la batterie à côté du guindeau (40Ah, pas plus), je suis pour car si elle est mise au centre du bateau, les câbles de 40² qui la relient au guindeau pèsent plus lourd qu’elle et coutent très cher.
Pour l’éclairage à bord : lampes leds, achetés sur internet ; un réel progrès.
A bientôt peut-être de te lire.
Jean-Luc (Trisbal 42 mouillé dans la Rance (Bretagne))
pas du tout partisan de la batterie guindeau séparée qui alourdit considérablement le montage (d’ailleurs je ne comprends pas le chargeur sortie séparée+ répartiteur et chargeur-alternateur apparamment en sortie d’alternateur ET de répartiteur !! ). Mieux vaut faire simple et utiliser un bon échantillonnage des cables.
En règle générale, attention à l’échantillonnage c’est la cause de la plupart des déficiences d’un système (pertes en lignes etc…). Au prix du cable, ne pas hésiter à utiliser un facteur 1.75 voir 2 qui permettra une souplesse ultérieure.
Le circuit de charge doit être le plus simple possible. A la partie guindeau près, le tien semble fonctionner, mais, pour des raisons de sécurité, les panneaux solaires doivent pouvoir être isolés -comme tu l’as fait pour l’éolienne- des batteries de servitude (pb de regul ou short.
Pour les consommateurs, par expérience :
les consommateurs de + de 10 Amps ( en pointe pas en moyenne) sur un tableau séparé
les consommateurs entre 4 et 10 amps sur une partie du tableau
les consommateurs de moins de 3 amps sur une autre partie.
Ca permet une réalisation plus facile (taille des bus, cables,…).
Pour des raisons de sécurité, je préfère les pompes de cales en direct sur les batteries de servitudes rechargées en permanence par les énergies douces.
Plus gros sera le parc, plus longtemps il durera (taux de décharge moins important), donc 2 * 170ah comme proposé par corto te donneront le confort mini auquel tu prétends (surtout en longue traversée).
Ce ne sont que des premières impressions.
salut Nicolas,
pour l’éclairage intérieur, je n’ai installé que des leds achetées à….. Ikéa et Leroy Merlin.
A Annemasse il y a un Leroy Merlin. Ils ont des barrettes de 20 leds avec interrupteur et d’autre vendues par 3 barrettes de 10 leds sans inter. Elles sont prévues à l’origine pour les bibliothèques. Elles sont fournies avec un transfo 220/12V. Doc, tu supprime le transfo et tu branches en direct 12 V. Très bien et beaucoup moins cher que chez les ships.
Bonsoir,
En ce qui concerne le chargeur de quai, j’ai installé sur Corto un CRISTEC CPS2 de 40A avec trois sorties: 1 pour la batterie moteur, et 2 pour les batteries de servitude. J’en suis extrêmement satisfait et je recommande cette marque, un peu cher mais qui fait le “top” en la matière.
Pour les servitudes, pourquoi ne pas mettre 2 X 170A au lieu de 2 X 120A? Vu la différence de prix, ça ne vaut pas le coup de s’en priver, 100 A de plus ça enlève beaucoup de soucis!(c’est également ce que j’ai fait sur Corto).
Bien cordialement,
Pierre
Bonsoir,
Pourquoi un interupteur qui court circuite après le régulateur d’éolienne?
Bonjour bell isle
Une propo que j ai retenu pour mon “yacht” monte une grosse
alimentaion stabilise 12v 30A pour prendre le relais à la
place des batterie quand le chargeur est branché au quais
cela permet de garder le fonctionnement de certains accessoires en fonction et de laisser les batteries profiter
de la charge et limite le double circuit pour du 220v voir plus de 220v Bref Tous en 12v
Le Moko